주 메뉴 바로가기
콘텐츠 바로가기
푸터 바로가기
자치법규정보시스템
회사소개
인사말
연혁
회사개요
제품소개
Mechanical Seal
Pump
Pump Parts
Drain Auto Trap
고효율 공냉식 Pulley
Multi Role 밸브
고객사현황
메뉴 열기
PLUSSTS
회사소개
인사말
연혁
회사개요
제품소개
Mechanical Seal
Pump
Pump Parts
Steam Trap(Anyhole)
Drain Auto Trap
Heat Exchanger
Compressor Cooler
고효율 공냉식 Pulley
누액감지 System
단열소재(에어로겔)
인체감지 안전시스템
고객사현황
메뉴 닫기
홈
회사제품
Mechanical Seal
Cartridge
PHC
Mechanical Seal
메뉴 접기
회사제품
Mechanical Seal
Single Spring
DSU
CSA
Multi Spring
MSU
MSB
MSU-B
MSD
ISB
Bellows
SR
CMB
SR217-L
MRH
SRHJ-2.250P
Cartridge
CB260
XP-200
ISC-H2000P
ISC-B120P
PHC-QSP
PHBS
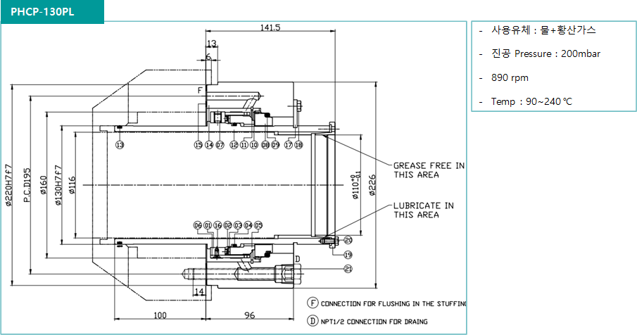
PHC
PSDP
PCS260
Agitator Seal
MX210
Pump
Pump Parts
Drain Auto Trap
고효율 공냉식 Pulley
Multi Role 밸브
닫기